16 Mar,2026
Angrenaj vs. paletă vs. piston: care pompă hidraulică industrială oferă cea mai bună eficiență?


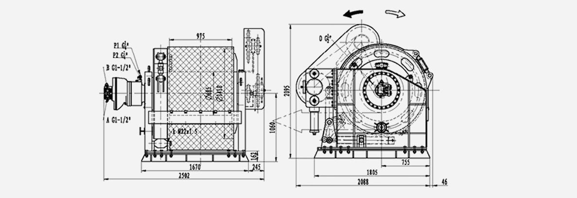
Troliul de ancorare din seria l*J---C sunt produse brevetate ale companiei noastre. Acestea constau din blocuri de supape cu funcția de protecție la suprasarcină, motor hidraulic (electromotor cu frână), cutie de viteze planetară, frână de curea, ambreiaj cu dinți, cap de tambur, cadru și așa mai departe. Datorită potrivirii sale cu blocul de supape, nu numai că a simplificat designul sistemului hidraulic, dar și a îmbunătățit fiabilitatea acționărilor. Seria de troliu ar putea avea o funcție CT dacă este echipată cu o supapă de tensiune constantă, iar seria are, de asemenea, eficiență ridicată de pornire și eficiență de lucru. În plus, în comparație cu acostarea tradițională, eficiența totală de transmisie a seriei este îmbunătățită cu 6~10%, iar pierderea de energie este mai mică din cauza planetei închise.
| Model | IYJ34.54.5-100 / 50-500-24-C-PDX | IYJ56- -200-500- -38-C-PDLX | IYJ699-C | IYJ99-600-1000-50-C-PDLX | IYJ4611-750/150-240-54-C-PDLX | IYJK08-50-150-22-PDL |
| Tragere de lucru nominală primul strat (KN) | 100/50 | 200 | 350/140 | 600 | 750/150 | 50 |
| Sarcina suportului de frânare (KN) | - | 600 | 500 | 900 | 1250 | - |
| Viteza primul strat (m/min) | 15/30 | 15.6 | 6/12 | 5 | 5/20
| 20 |
| Deplasarea tamburului (mL/r) | 10143.6/5119.2 | 40936 | 75600/37800 | 90744.43 | 103304.35/25826 | 6360.66 |
| Presiunea nominală a sistemului (MPa) | 25 | 16 | 26/10.5 | 22 | 31/26 | 15 |
| Diametrul cablului (mm) | 24 | 38 | 38 | 50 | 54 | 22 |
| Numărul de straturi de frânghie | 8 | 7 | 5 | 6 | 4 | 7 |
| Capacitatea tamburului (m) | 490 | 500 | 500 | 1000 | 240 | 60 |
| Debitul pompei (l/min) | 90(ηv=0,9) | 300(ηv=0,94) | 162(ηv=0,9) | 139(ηv=0,9) | 178(ηv=0,9) | 79(ηv=0,9) |
| Tip motor hidraulic | A6V107ED22FZ2-054 | INM5-1450D48011 | HLA4VSM2500Z-125 | INM7-3600024011 | A6VM160HD1D/63W0400VZB080 | GM3-1000-7D47 |
| Tip cutie de viteze planetară | IGT6DW3-B95-A6V107(I=94,8) | C56(I=28) | IGC330W3-B302-A4V250(I=302,4) | 6C3302-335-IW7(I=25,13) | C46611(I=645,65) | - |
Produsele furnizate de întreprinderi celebre au încredere profundă de către utilizatori.
Ani de experiență în industrie
Zona fabricii
Angajati priceputi
Linie avansată de producție
INI Hydraulic Co., Ltd. De mai bine de douăzeci de ani este specializată în proiectarea și fabricarea troliurilor hidraulice, motoarelor hidraulice și cutiilor de viteze planetare. Suntem unul dintre furnizorii profesioniști de accesorii pentru mașini de construcții din Asia. Personalizarea pentru a optimiza designul ingenios al echipamentelor clienților este modul nostru de a rămâne în viață robust pe piață. De-a lungul a 26 de ani, conduși de angajamentul de a inova întotdeauna pentru a satisface nevoile clienților, am dezvoltat o gamă largă de linii de produse bazate pe tehnologiile noastre auto-dezvoltate. Gama largă de produse, fiecare corelată intim, conține troliuri hidraulice și electrice, cutii de viteze planetare, acționare rotativă, acționare transmisie, motoare hidraulice, pompe și sisteme hidraulice.
Fiabilitatea produselor noastre a fost dovedită puternic în diverse aplicații, inclusiv fără limitarea mașinilor industriale, mașinilor de construcții, mașinilor pentru nave și punte, echipamente off-shore, mașini miniere și metalurgice.
În plus, calitatea produselor noastre a fost aprobată de mai multe organisme de certificare renumite la nivel mondial. Certificarile pe care produsele noastre le-au obtinut includ certificatul de examinare EC de tip, BV MODE, certificatul DNV GL, certificatul de conformitate CE, certificatul de aprobare de tip pentru produse maritime si asigurarea calitatii Lloyd’s Register. Până acum, pe lângă China, piața noastră internă, am exportat pe scară largă produsele noastre în Statele Unite, Germania, Țările de Jos, Australia, Rusia, Turcia, Singapore, Japonia, Coreea de Sud, Malaezia, Vietnam, India și Iran. Serviciile noastre de logistică și post-vânzare acoperă întreaga lume prompt și fiabil pentru interesele profunde ale clienților noștri.
16 Mar,2026
09 Mar,2026
02 Mar,2026
TOP