16 Mar,2026
Angrenaj vs. paletă vs. piston: care pompă hidraulică industrială oferă cea mai bună eficiență?












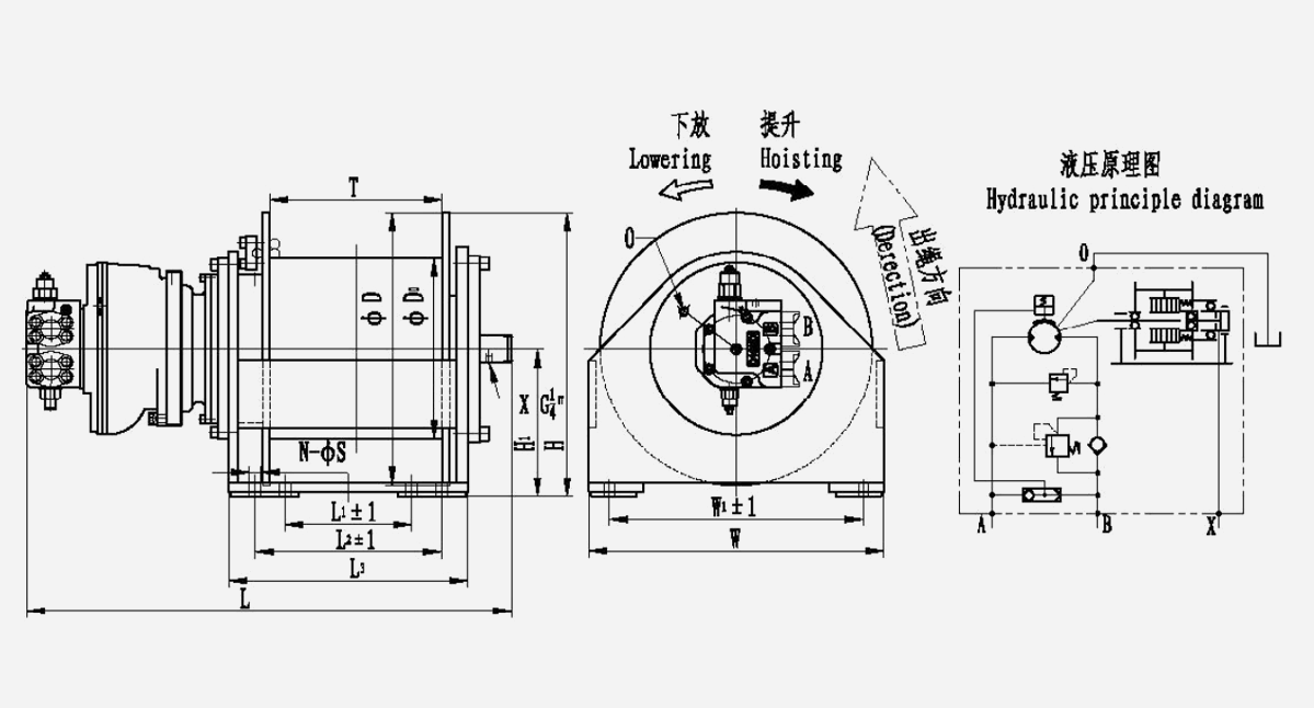
Troliul hidraulic din seria IYJ-L constă dintr-o cutie de viteze planetară, motor hidraulic, frână de tip umed, diverse blocuri de supape de supapă de contrabalansare și supapă de navetă, tambur, cadru și control hidraulic olandez. Așadar, seria nu doar a simplificat designul sistemului hidraulic, ci și a îmbunătățit fiabilitatea și durabilitatea. Seria ar putea avea control cu două viteze dacă este echipată cu un motor hidraulic cu două viteze cu deplasare variabilă. Atunci când este echipat cu un motor hidraulic cu piston axial, presiunea de lucru și puterea de antrenare a seriei ar putea fi mult îmbunătățite.
Troliul hidraulic din seria IYJ-L are o performanță netedă la ridicare și coborâre. Etapa finală a seriei este echipată cu un ambreiaj hidraulic (brevet de invenție al companiei noastre) pentru a obține o funcție de cădere liberă. Seria de troliu are o durată lungă de viață, un design compact și o economie bună. Prin urmare, seria a a fost aplicată pe scară largă în mașinile de așezat țevi, pe șenile
Exemplu de opțiuni: IGY3400L2-B47-21/10 reprezintă că propulsorul are un cuplu de ieșire de 3400 Nm, cutie de viteze planetară în două trepte pentru tracțiuni cu un raport total de 47, echipată cu parcare multi-disc (două viteze) de 21ml/tur în joasă. -pozitia de viteza si 10ml/tur in pozitia de mare viteza. frână și motor hidraulic axial de mare viteză. Motorul hidraulic are o cilindree variabila.
| Cod de serie | Primul strat Trage | Viteza frânghiei pentru primul strat | Cantitate brută | Presiunea sistemului | Debitul de ulei de alimentare | Diametrul frânghiei | Strat | Capacitatea frânghiei | Raportul cutiei de viteze | Presiunea de deschidere a ambreiajului | Dimensiuni generale și specificații portului de ulei | ||||||||||||||||
| Do | D | T | L1 | L2 | L3 | L | W1 | W2 | W3 | W | B1 | B | N | S | A, B | 0 | |||||||||||
| IYJ2.5-L | 6 | 90 | 1337 | 10 | 100 | 10 | 1 | 30 | 7 | 8.5 | 380 | 420 | 280 | 232 | - | 336 | 682 | 390 | - | - | 450 | 240 | 450 | 6 | φ22 | M33*2 | G1/4 |
| 10 | 45 | 1337 | 13 | 100 | 10 | 1 | 30 | 7 | 8.5 | 380 | 420 | 280 | 232 | - | 336 | 682 | 390 | - | - | 450 | 240 | 450 | 6 | φ22 | M33*2 | G1/4' | |
| 15 | 30 | 1337 | 18 | 100 | 10 | 1 | 30 | 7 | 8.5 | 380 | 420 | 280 | 232 | - | 336 | 682 | 390 | - | - | 450 | 240 | 450 | 6 | φ22 | M33*2 | G1/4 | |
| Cod de serie | Primul strat Trage | Viteza frânghiei pentru primul strat | Cantitate brută | Presiunea sistemului | Debitul de ulei de alimentare | Diametrul frânghiei | Strat | Capacitatea frânghiei | Raportul cutiei de viteze | Presiunea de deschidere a ambreiajului | Dimensiuni generale și specificații portului de ulei | ||||||||||||||||
| Do | D | T | L1 | L2 | L3 | L | W1 | W2 | W3 | W | B1 | B | N | S | A, B | 0 | |||||||||||
| IYJ2.5-L | 7.7 | 46 | 709.5 | 12 | 46 | 8 | 1 | 10 | 5.5 | 5.5 | 238 | - | 171 | 190 | - | 290 | 560 | 235 | - | - | 327 | 152 | 340 | 4 | φ22 | G1' | G1/4 |
TIP: IYJ4-L | Cod de serie | Primul strat Trage | Viteza frânghiei pentru primul strat | Cantitate brută | Presiunea sistemului | Debitul de ulei de alimentare | Diametrul frânghiei | Strat | Capacitatea frânghiei | Raportul cutiei de viteze | Presiunea de deschidere a ambreiajului | Dimensiuni generale și specificații portului de ulei | ||||||||||||||||
| Do | D | T | L1 | L2 | L3 | L | W1 | W2 | W3 | W | B1 | B | N | S | A, B | 0 | |||||||||||
| IYJ4-L | 30 | 50 | 3272.5 | 18 | 126 | 20 | 2 | 50 | 5.5 | 7.5 | 400 | 600 | 462 | 362 | 492 | 610 | 1098 | 560 | - | - | 650 | 325 | 625 | 8 | φ22 | φ25 | G1/2 |
| 50 | 50 | 5544 | 18 | 202 | 22 | 2 | 40 | 7 | 7.5 | 400 | 600 | 380 | 280 | 410 | 528 | 1106 | 560 | - | - | 650 | 325 | 625 | 8 | φ22 | φ40 | G1/2 | |
| 70 | 24 | 7238 | 20 | 129 | 22 | 2 | 45 | 5.5 | 7.5 | 400 | 600 | 380 | 280 | 410 | 528 | 1106 | 560 | - | - | 650 | 325 | 625 | 8 | φ22 | φ25 | G1/2 | |
| 95 | 22 | 11038.5 | 16 | 185 | 22 | 2 | 45 | 5.5 | 7.5 | 400 | 600 | 380 | 280 | 410 | 528 | 1106 | 560 | - | - | 650 | 325 | 625 | 8 | φ22 | φ25 | G1/2 | |
| Cod de serie | Primul strat Trage | Viteza frânghiei pentru primul strat | Cantitate brută | Presiunea sistemului | Debitul de ulei de alimentare | Diametrul frânghiei | Strat | Capacitatea frânghiei | Raportul cutiei de viteze | Presiunea de deschidere a ambreiajului | Dimensiuni generale și specificații portului de ulei | ||||||||||||||||
| Do | D | T | L1 | L2 | L3 | L | W1 | W2 | W3 | W | B1 | B | N | S | A, B | 0 | |||||||||||
| IYJ33-L | 50 | 25 | 3963.2 | 23 | 80 | 22 | 1 | 23 | 45.4 | 7.5 | 410 | 560 | 385 | 333 | 463 | 573 | 794 | 520 | - | - | 610 | 320 | 600 | 8 | φ22 | G3/4 | G1/2 |
| IYJ333-L | 60 | 40 | 4063.9 | 24 | 150 | 20 | 3 | 80 | 72.57 | 7.5 | 380 | 560 | 437 | 440 | - | 601 | 923 | 480 | - | - | 616 | 320 | 600 | 4 | φ32 | φ20 | M18*1,5 |
| 80 | 40 | 4063.9 | 32 | 150 | 20 | 3 | 80 | 72.57 | 7.5 | 380 | 560 | 437 | 440 | - | 601 | 923 | 480 | - | - | 616 | 320 | 600 | 4 | φ32 | φ20 | M18*1,5 | |
Produsele furnizate de întreprinderi celebre au încredere profundă de către utilizatori.
Ani de experiență în industrie
Zona fabricii
Angajati priceputi
Linie avansată de producție
INI Hydraulic Co., Ltd. De mai bine de douăzeci de ani este specializată în proiectarea și fabricarea troliurilor hidraulice, motoarelor hidraulice și cutiilor de viteze planetare. Suntem unul dintre furnizorii profesioniști de accesorii pentru mașini de construcții din Asia. Personalizarea pentru a optimiza designul ingenios al echipamentelor clienților este modul nostru de a rămâne în viață robust pe piață. De-a lungul a 26 de ani, conduși de angajamentul de a inova întotdeauna pentru a satisface nevoile clienților, am dezvoltat o gamă largă de linii de produse bazate pe tehnologiile noastre auto-dezvoltate. Gama largă de produse, fiecare corelată intim, conține troliuri hidraulice și electrice, cutii de viteze planetare, acționare rotativă, acționare transmisie, motoare hidraulice, pompe și sisteme hidraulice.
Fiabilitatea produselor noastre a fost dovedită puternic în diverse aplicații, inclusiv fără limitarea mașinilor industriale, mașinilor de construcții, mașinilor pentru nave și punte, echipamente off-shore, mașini miniere și metalurgice.
În plus, calitatea produselor noastre a fost aprobată de mai multe organisme de certificare renumite la nivel mondial. Certificarile pe care produsele noastre le-au obtinut includ certificatul de examinare EC de tip, BV MODE, certificatul DNV GL, certificatul de conformitate CE, certificatul de aprobare de tip pentru produse maritime si asigurarea calitatii Lloyd’s Register. Până acum, pe lângă China, piața noastră internă, am exportat pe scară largă produsele noastre în Statele Unite, Germania, Țările de Jos, Australia, Rusia, Turcia, Singapore, Japonia, Coreea de Sud, Malaezia, Vietnam, India și Iran. Serviciile noastre de logistică și post-vânzare acoperă întreaga lume prompt și fiabil pentru interesele profunde ale clienților noștri.
16 Mar,2026
09 Mar,2026
02 Mar,2026
TOP