16 Mar,2026
Angrenaj vs. paletă vs. piston: care pompă hidraulică industrială oferă cea mai bună eficiență?


Motoare cu presiune mare, antrenare de mare viteză și supape de echilibrare,
Este proiectat pentru condiții de încărcare mare
Este soluția ideală pentru un excavator hidraulic de 6 până la 50 de tone
Design eficient si compact
Tehnologia de înaltă presiune crește eficiența sistemului hidraulic
Motor cu două viteze cu supapă de echilibrare integrată și supapă de limitare a presiunii
Motorul integrează funcția de frânare hidraulică
Viteza poate fi modificată automat la cerere
Temperatură scăzută, eficiență ridicată
Interval de temperatură de funcționare: -20 ° C ~ 80 ° C
Design compact
Motoarele de înaltă presiune cu deplasare redusă prelungesc durata de viață a componentelor importante și îmbunătățesc întregul
Durabilitatea sistemului
Căptușeală din cupru pentru rotația hidraulică a pistonului
Tavă de distribuție metalică dublă (cupru/oțel).
Combinația de rotație cu un sistem special de arc îmbunătățește durata de viață a motorului
Sistemul de etanșare triplu al reductorului: etanșare mecanică labirint, etanșare tip V, etanșare principală.
Simeringul principal poate fi înlocuit fără a demonta reductorul
Rulmenții reductorului sunt componente independente, ușor de instalat și pot fi complet presetați pentru sarcini negative
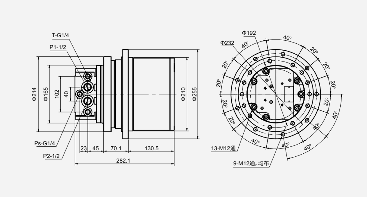
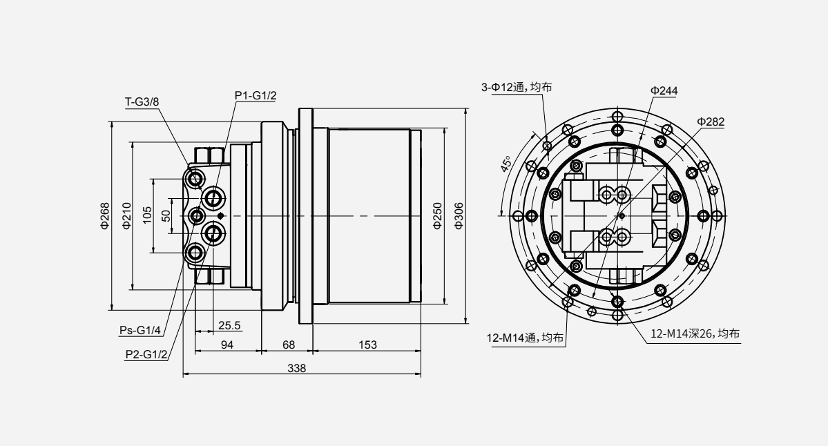
ITM01:
| Modal | (L/min) | (ML/r) | (Mpa) | (Mpa) | Raportul de transmisie | (N.m) | (r/min) | Rotaţie | (℃) | (mm2/s) |
| ITM01 | 20 | 6.31/12.56 | 25 | 2-7 | 36.96 | 1845 | 85,8/43 | bidirectional | -20- 80 | 16-25 |
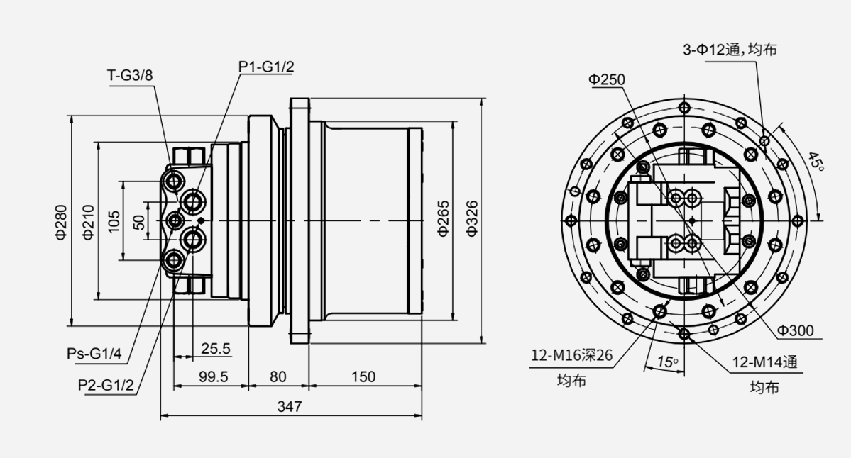
| Modal | (L/min) | (ML/r) | (Mpa) | (Mpa) | Raportul de transmisie | (N.m) | (r/min) | Rotaţie | (℃) | (mm2/s) |
| ITM03 | 40 | 12/18 | 21 | 2-7 | 45.2 | 2719 | 55/37 | bidirectional | -20- 80 | 16-25 |
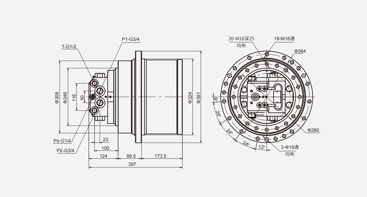
ITM04:
| Modal | (L/min) | (ML/r) Motor | (Mpa) | (Mpa) | Raportul de transmisie | (N.m) | (r/min) | Rotaţie | (℃) ulei | (mm2/s) |
| ITM04 | 40 | 14.3/23.6 | 21 | 2-7 | 52.7 | 4200 | 55/33 | bidirectional | -20- 80 | 16-25 |
| Modal | (L/min) Debit de intrare | (ML/r) | (Mpa) | (Mpa) | Raportul de transmisie | (N.m) | (r/min) | Rotaţie | (℃) | (mm2/s) |
| ITM06 | 50 | 19/34 | 24.5 | 2-7 | 47.53 | 6300 | 55/30 | bidirectional | -20- 80 | 16-25 |
| Modal | (L/min) Debit de intrare | (ML/r) | (Mpa) Presiune de lucru | (Mpa) | Raportul de transmisie | (N.m) | (r/min) | Rotaţie | (℃) ulei | (mm2/s) |
| ITM07 | 50 | 22/44 | 27.5 | 2-7 | 53.706 | 10500 | 50/25 | bidirectional | -20- 80 | 16-25 |
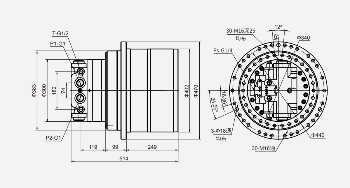
ITM09:
| Modal | (L/min) | (ML/r) | (Mpa) | (Mpa) | Raportul de transmisie | (N.m) | (r/min) | Rotaţie | (℃) | (mm2/s) |
| ITM09 | 80 | 34/53 | 30 | 2-7 | 53.7 | 11500 | 51/33 | bidirectional | -20- 80 | 16-25 |
| Modal | (L/min) | (ML/r) | (Mpa) | (Mpa) | Raportul de transmisie | (N.m) | (r/min) | Rotaţie | (℃) | (mm2/s) |
| ITM10 | 80 | 38/65 | 25 | 2-7 | 53.7 | 13000 | 51/33 | bidirectional | -20- 80 | 16-25 |
| Modal | (L/min) | (ML/r) | (Mpa) | (Mpa) | Raportul de transmisie | (N.m) | (r/min) | Rotaţie | (℃) | (mm2/s) |
| ITM18 | 130 | 43/67 | 30 | 2-7 | 53 | 16900 | 57/37 | bidirectional | -20- 80 | 16-25 |
| Modal | (L/min) | (ML/r) | (Mpa) | (Mpa) | Raportul de transmisie | (N.m) | (r/min) | Rotaţie | (℃) | (mm2/s) | Aplicabil modele |
| ITM22 | 130 | 48/81 | 34.3 | 2-7 | 53.7 | 23700 | 50/30 | bidirectional | -20- 80 | 16-25 | 13-17 |
| Modal | (L/min) | (ML/r) | (Mpa) | (Mpa) | Raportul de transmisie | (N.m) | (r/min) Teoretic | Rotaţie | (℃) | (mm2/s) |
| ITM40 | 230 | 99/147 | 34.3 | 2-7 | 50.5 | 40546 | 50/32 | bidirectional | -20- 80 | 16-25 |
| Modal | (L/min) | (ML/r) | (Mpa) | (Mpa) | Raportul de transmisie | (N.m) | (r/min) | Rotaţie | (℃) | (mm2/s) |
| ITM60 | 330 | 195/120 | 34.3 | 2-7 | 63.84 | 67000 | 40/26 | bidirectional | -20- 80 | 16-25 |
Produsele furnizate de întreprinderi celebre au încredere profundă de către utilizatori.
Ani de experiență în industrie
Zona fabricii
Angajati priceputi
Linie avansată de producție
INI Hydraulic Co., Ltd. De mai bine de douăzeci de ani este specializată în proiectarea și fabricarea troliurilor hidraulice, motoarelor hidraulice și cutiilor de viteze planetare. Suntem unul dintre furnizorii profesioniști de accesorii pentru mașini de construcții din Asia. Personalizarea pentru a optimiza designul ingenios al echipamentelor clienților este modul nostru de a rămâne în viață robust pe piață. De-a lungul a 26 de ani, conduși de angajamentul de a inova întotdeauna pentru a satisface nevoile clienților, am dezvoltat o gamă largă de linii de produse bazate pe tehnologiile noastre auto-dezvoltate. Gama largă de produse, fiecare corelată intim, conține troliuri hidraulice și electrice, cutii de viteze planetare, acționare rotativă, acționare transmisie, motoare hidraulice, pompe și sisteme hidraulice.
Fiabilitatea produselor noastre a fost dovedită puternic în diverse aplicații, inclusiv fără limitarea mașinilor industriale, mașinilor de construcții, mașinilor pentru nave și punte, echipamente off-shore, mașini miniere și metalurgice.
În plus, calitatea produselor noastre a fost aprobată de mai multe organisme de certificare renumite la nivel mondial. Certificarile pe care produsele noastre le-au obtinut includ certificatul de examinare EC de tip, BV MODE, certificatul DNV GL, certificatul de conformitate CE, certificatul de aprobare de tip pentru produse maritime si asigurarea calitatii Lloyd’s Register. Până acum, pe lângă China, piața noastră internă, am exportat pe scară largă produsele noastre în Statele Unite, Germania, Țările de Jos, Australia, Rusia, Turcia, Singapore, Japonia, Coreea de Sud, Malaezia, Vietnam, India și Iran. Serviciile noastre de logistică și post-vânzare acoperă întreaga lume prompt și fiabil pentru interesele profunde ale clienților noștri.
16 Mar,2026
09 Mar,2026
02 Mar,2026
TOP